Дымосос ДН-11,2-22,0/1000 в Екатеринбурге

Цена:
208 000 руб.
Количество:
Отправляя свои личные данные через формы на сайте, Вы даёте своё согласие на обработку персональных данных согласно Федеральному закону №152-ФЗ «О персональных данных» от 27.07.2006 г. в редакции от 01.07.2017.

Описание дымососа

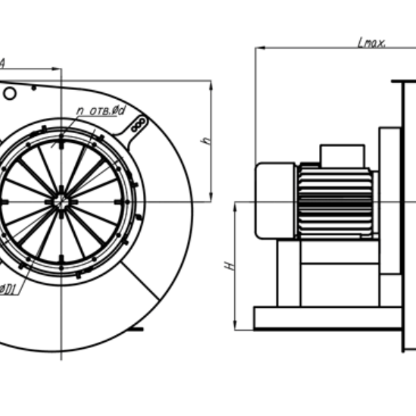
Дымосос ДН-11,2-22,0/1000 — тягодутьевая машина предназначенная для удаления дымовых газов после сгорания топлива в топках паровых и водогрейных котлах. Центробежные дымососы ДН-11,2 могут использоваться не только для котельных установок, но и для ряда промышленного оборудования, где необходимо обеспечение подачи приточной тяги или очистки воздуха. Предельно допустимая температура рабочего потока (приточный воздух или дымовой газ) составляет 200 °C.

Конструкция дымососа ДН-11,2 с электродвигателем мощностью 22 кВт и частотой вращения 1000 об/мин проста и надежна. Промышленный дымосос состоит из несущего каркаса — сварная рама из стального профилированного проката, и металлического кожуха типа «улитка». На раме расположен электродвигатель, соединенный с рабочим колесом, посаженным на вал двигателя либо ходовую часть привода, что потребует более мощный привод. Рабочее колесо имеет 16 лопаток загнутые назад. Дымососы одностороннего всасывания изготавливаются правого и левого направления вращения.

Установка дымососа ДН-11,2-22,0/1000 осуществляется на подготовленное основание в помещении или на открытом воздухе методом анкерного соединения. Монтаж основания к установочной плоскости выполняется через виброгасящие прокладки. При проведении монтажных работ поворотный корпус улитки обеспечивает выбор нужного угла стыковки. Производительность — 19300 м³/ч. Полное давление — 1225 Па. Дымососы ДН рассчитаны на непрерывный режим работы в условиях умеренного климата У, категории размещения 1, 2, 3 и 4 по ГОСТ 15150-69. Котельный дымосос ДН-11,2-1000 эксплуатируется в температурных условиях от -30 до +40 °C.

Для повышения срока службы и эффективности работы дымососа рекомендуется установка всасывающего кармана и проводить техническое обслуживание (ТО), периодичность которого регламентируется технической документацией на оборудование.

Более подробную информацию Вы можете получить у наших специалистов. Чтобы приобрести котельный центробежный дымосос ДН-11,2 с электродвигателем мощностью 22 кВт и частотой вращения 1000 об/мин, достаточно позвонить нам либо оставить заявку и мы обязательно с Вами свяжемся.

Характеристики
Тип дымососа: Центробежный
По назначению: Промышленный
По назначению: Дутьевой (тягодутьевой)
Серия: ДН
Диаметр рабочего колеса: 11,2 дм
По количеству входов: Одностороннего всасывания
Направление вращения: Левое
Направление вращения: Правое
Число лопаток: 16 шт
Положение лопаток: Загнутые назад
Схема исполнения: 1
Схема исполнения: 3
Электродвигатель: АИР200М6
Мощность: 22 кВт
Частота вращения: 1000 об/мин
Производительность: 19300 м³/ч
Полное давление: 1225 Па
Температура рабочей среды: 200 °C
Климатическое исполнение: Умеренный климат (У)
Категория размещения: 1
Категория размещения: 2
Категория размещения: 3
Категория размещения: 4
Масса без двигателя: 620 кг
Масса с двигателем: 880 кг
Схемы

Города поставок

Москва
Пн-Пт 09:00 - 18:00
Сб 09:00 - 17:00
Карачаево-Черкесская Республика
Пн-Пт 09:00 - 18:00
Сб 09:00 - 17:00
Екатеринбург
Пн-Пт 09:00 - 18:00
Сб 09:00 - 17:00

Совершите покупку за 4 шага

Шаг 1
Выберите товары из каталога
Шаг 2
Поместите нужные вам товары в корзины
Шаг 3
Укажите свои контактные данные в форме обратной связи
Шаг 5
Ожидайте звонка от менеджера для оформления покупки

Похожие товары

Дымососы ДН
Дымососы ДН
Цена от 0 руб.
Дымососы Д
Дымососы Д
Цена от 0 руб.
Дымососы для котлов
Вы смотрели эти товары
Комплексон-6 (H)
Система водоподготовки «Комплексон-6» (Н-40) — это автоматический комплекс дозирования химических реагентов для качественной обработки воды. Современная водоподготовка позволяет обрабатывать подпиточные воды специально разработанными ингибиторами отложений (солей магния, кальция), ингибиторами коррозии для универсальных систем теплоснабжения, подачи горячей воды, водооборотных циклов.
Комплексон-6 (H)
Система водоподготовки «Комплексон-6» (Н-5) — это автоматический комплекс дозирования химических реагентов для качественной обработки воды. Современная водоподготовка позволяет обрабатывать подпиточные воды специально разработанными ингибиторами отложений (солей магния, кальция), ингибиторами коррозии для универсальных систем теплоснабжения, подачи горячей воды, водооборотных циклов.
Комплексон-6 (H)
Система водоподготовки «Комплексон-6» (Н-80) — это автоматический комплекс дозирования химических реагентов для качественной обработки воды. Современная водоподготовка позволяет обрабатывать подпиточные воды специально разработанными ингибиторами отложений (солей магния, кальция), ингибиторами коррозии для универсальных систем теплоснабжения, подачи горячей воды, водооборотных циклов.